 
         
        | N.º de encomenda | Comprimentos máx. da guia | a | C4 | A3 | C5=C6 | h | h1 | K1* | ly | lz | Peso da guia | Preço/m | ||
|---|---|---|---|---|---|---|---|---|---|---|---|---|---|---|
| [L máx.] | mín. | max. | [mm2] | [mm2] | [g/m] | |||||||||
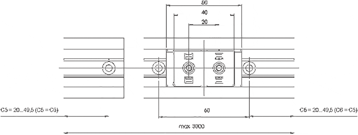
| NS-01-40 | 3000 | 40 | 60 | 0 | 20 | 20/49,5 | 8,7 | 1,3 | M4 | 26400 | 970 | 450 | 41,39 EUR | |
| NS-01-40-UNGEBOHRT | 3000 | 40 | 0 | 0 | 0 | 8,7 | 1,3 | 26400 | 970 | 450 | 37,05 EUR | |||
| NS-01-40-AR | 3000 | 40 | 60 | 0 | 20 | 20/49,5 | 8,7 | 1,3 | M4 | 26400 | 970 | 450 | 47,60 EUR | |
                    Se desejar guias sem furos, indique "Sem furos" na nota.
* para parafuso cilíndrico com cabeça baixa
                
| N.º de encomenda | Designação | Peso da carruagem | ||
|---|---|---|---|---|
| [g] | ||||
| NW-01-40 | Patins fixados | 30 | 8,51 EUR | |
| NW-01-40-LLY | Patins fixado, patins flutuante direção y | 30 | 8,50 EUR | |
| NW-01-40-LLZ | Patins fixado, patins flutuante direção z | 30 | 8,50 EUR | |
| NW-01-40-LLYZ | Patins fixado, patins flutuante direção y e z | 30 | 8,50 EUR | 
| Art. n.º | H | A | C | C1 | C2 | A2 | H2 | K2 | K3 | K4 | Sp mín. | Dp Ø mín. | Peso | 
|---|---|---|---|---|---|---|---|---|---|---|---|---|---|
| ±0,35 | [g/m] | ||||||||||||
| NW-01-40 | 9,5 | 23 | 50 | 40 | 20 | 0 | 1,3 | 0 | 0 | 30 | |||
| NW-01-40-LLY | 9,5 | 23 | 50 | 40 | 20 | 0 | 1,3 | 0 | 0 | 30 | |||
| NW-01-40-LLZ | 9,5 | 23 | 50 | 40 | 20 | 0 | 1,3 | 0 | 0 | 30 | |||
| NW-01-40-LLYZ | 9,5 | 23 | 50 | 40 | 20 | 0 | 1,3 | 0 | 0 | 30 | 
| N.º de encomenda | Designação | Peso da carruagem | ||
|---|---|---|---|---|
| [g] | ||||
| NW-11-40 | Patins moldado por injeção | 30 | 8,51 EUR | |
| NW-11-40-LLY | Patins moldado por injeção, patins flutuante direção y | 30 | 8,50 EUR | |
| NW-11-40-LLZ | Patins moldado por injeção, patins flutuante direção z | 30 | 8,51 EUR | |
| NW-11-40-LLYZ | Patins moldado por injeção, patins flutuante direção y e z | 30 | 8,50 EUR | 
| Art. n.º | H | A | C | C1 | C2 | A2 | H2 | K2 | K3 | K4 | Sp mín. | Dp Ø mín. | Peso | 
|---|---|---|---|---|---|---|---|---|---|---|---|---|---|
| ±0,35 | [g/m] | ||||||||||||
| NW-11-40 | 9,5 | 23 | 20 | 40 | 50 | 0 | 1,3 | 0 | 0 | 0 | 30 | ||
| NW-11-40-LLY | 9,5 | 23 | 20 | 40 | 50 | 0 | 1,3 | 0 | 0 | 0 | 30 | ||
| NW-11-40-LLZ | 9,5 | 23 | 20 | 40 | 50 | 0 | 1,3 | 0 | 0 | 0 | 30 | ||
| NW-11-40-LLYZ | 9,5 | 23 | 20 | 40 | 50 | 0 | 1,3 | 0 | 0 | 0 | 30 | 
Sem casquilho flutuante
2Elemento deslizante flutuante na direção z
3Elemento deslizante flutuante na direção y
4Casquilho flutuante na direção yz
 
        Introduza o número pretendido de carruagens.
 
       
         
         
         
        De segunda a sexta-feira, das 9h às 18h - via telefone ou chat
24h