Selecione o local de entrega

A seleção do país/região pode influenciar vários fatores, tais como preço, opções de envio e disponibilidade de produtos.
Contacto direto
igus® Lda.

R Engº Ezequiel Campos, 239

4100-232 Porto

226 109 000*
PT(PT)

Calhas articuladas de escritório OCO - Projeto em estudo

Fácil colocação dos cabos tipo "easy"

As calhas articuladas OCO.20 são sistemas simples para escritórios. Não tem um raio definido e podem ter movimento em duas direções. O comprimento pode ser facilmente aumentado ou reduzido. Os terminais de montagem são muito parecidos com os elos da calha e destacam-se pelos ímans incorporados para fixar a OCO facilmente, a uma mesa de metal. Também é possível uma fixação com parafusos para montagem numa mesa, através de dois pequenos furos.
Consultar agora

Melhoria técnica

Melhoria técnica

  • Design otimizado
  • Instalação flexível
  • Fáceis de aumentar ou encurtar
  • Terminais de fixação com ímanes para
    fácil encaixe
  • Elevada força de retenção dos elos da calha até 150N
Redução do custo

Redução do custo

  • Reduza o tempo de instalação e o custo com o preenchimento sem ferramentas, devido ao desenho "fácil"
  • Encomende o comprimento necessário
  • Económicas
Provas dadas

Provas dadas

  • Teste de tração das calhas OCO.20 à força de retenção: em protótipos impressos em 3D sujeitos a testes de tração bem-sucedidos, verificou-se uma força de retenção de 420 N
Sustentabilidade

Sustentabilidade

  • Isentas de bisfenol A (sem BPA)
  • 100% isentas de halogéneos, particularmente adequadas para  edifícios públicos
  • Faça com que as suas calhas articuladas sejam recicladas no programa de reciclagem da igus chainge no final
    da sua duração de vida. Independentemente do fabricante. E receba um comprovativo do programa de reciclagem chainge
  • A igus apoia a economia circular dos plásticos  e investe na reciclagem química

Calha articulada de escritório OCO.20


É simples:

A abertura de acordo com o princípio easy não está no meio, mas ligeiramente de lado. Ao instalar os elos da calha alternadamente, as aberturas ficam opostas, que assegura a colocação fácil dos condutores e ao mesmo tempo, uma permanência estável.
Calhas articuladas de escritório OCO.20

 
Ímans integrados para fácil fixação em mesas metálicas
Calhas articuladas de escritório OCO.20

 
Como opção também possível a fixação aparafusada

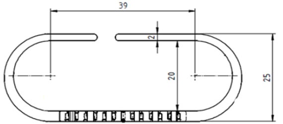
Dados técnicos

Dados técnicos - Calha de escritório OCO.20


ReferênciaAltura interiorAltura exteriorLargura interiorLargura exterior
OCO.2020 mm25 mm39 mm64 mm

Disponível sob consulta
 
Consultar agora

Produtos semelhantes

Calhas articuladas de escritório OCR

Calhas articuladas de escritório OCR

Terminais de fixação magnéticos para fixação intermédia flexível e fácil ligação da calha
Calhas articuladas de escritório ZF14

Calhas articuladas de escritório ZF14

Os cabos são instalados rapidamente. Calhas articuladas que encaixam rapidamente e com certificação UL94-V2
triflex R

Calhas articuladas triflex R de 3 eixos

Desenho "easy" – para um preenchimento simples e rápido. Aproximadamente +/- 10 ° de torção por elo de calha

Mais informações

Novidades de 2020

Visão geral das novidades de calhas articuladas 2020

Descubra aqui mais novidades sobre das calhas articuladas 2020 para diferentes aplicações.
Catálogo das novidades 2020

Catálogo de novidades 2020

Toda a informação que necessita sobre os novos produtos e extensões de gama num catálogo grátis.
Calhas articuladas

Calhas articuladas

Para variados ambientes e diferentes espaços de instalação.  Grande gama de produtos – encontre rapidamente a solução mais indicada para si. Com 36 meses de garantia.

Aconselhamento personalizado

Terei todo o gosto em esclarecer as suas questões

Envio e consulta

Pessoalmente:

De segunda a sexta-feira, das 9h às 18h - via telefone ou chat

Online:

24h