Selecione o local de entrega

A seleção do país/região pode influenciar vários fatores, tais como preço, opções de envio e disponibilidade de produtos.
Contacto direto
igus® Lda.

R Engº Ezequiel Campos, 239

4100-232 Porto

226 109 000*
PT(PT)

Módulo cruzado x-y drylin® SHT/SHT-PL

Propriedades especiais do módulo cruzado x-y

Elevada precisão, rigidez extrema e alinhamento preciso através de produção CNC

Disponível na versão standard e com pré-carga

100% isento de lubrificação e totalmente resistente à corrosão

Ajustes com rosca trapezoidal TR 10x2

Possibilidade de montagem do módulo superior com alinhamento à esquerda ou à direita

Acessórios disponíveis (manípulo, cursor...)

Módulo cruzado x-y

Adequada para estas peças de módulos cruzados x-y:


SHT/SHT-PL – módulo cruzado


Encomendar um sistema completo de módulo cruzado x-y

Configuração do módulo cruzado x-y em apenas alguns passos:

1. Seleção do tamanho de instalação
2. Seleção do comprimento do curso em mm
3. Seleção das peças acessórias

Dica:

Poderá encontrar informações detalhadas nos desenhos, nas tabelas e nas páginas mencionadas abaixo.

drylin® SHT/SHT-PL – módulo cruzado x-y – sistema completo

Passo 1

Selecione o tamanho de instalação do módulo cruzado x-y.

technical drawing
Tamanho de instalação:

Mais informações e acessórios de módulos cruzados x-y


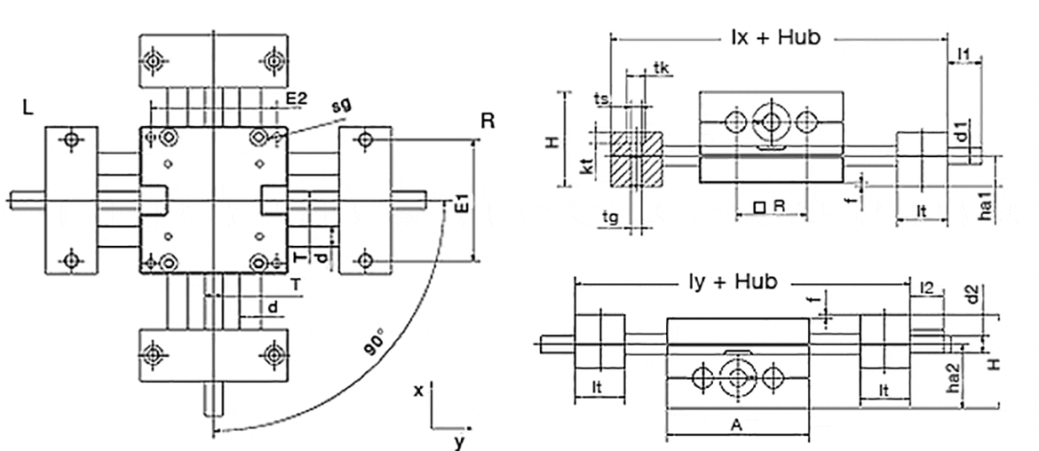
Comprimentos e pesos do módulo cruzado x-y [mm]

N.º de encomenda A
-0,3
[mm]
H
 
[mm]
E1
±0,15
[mm]
E2
±0,15
[mm]
Comprimento
base lx
[mm]
Comprimento
base ly
[mm]
R
 
[mm]
f
 
[mm]
lt
±0,1
[mm]
tk
 
[mm]
ts
 
[mm]
tg
 
kt
 
[mm]
Saída a partir de 10 dias úteis. Envio Standard: +4/5 dias. Urgente: +1/2 dias SHT-XY-12 85 56 70 73 145 145 42 2 30 11 6,6 M8 6,4
Saída a partir de 10 dias úteis. Envio Standard: +4/5 dias. Urgente: +1/2 dias SHT-XY-08 65 42 52 56 96 96 32 1,5 15,5 10 5,5 M6 7
Saída a partir de 10 dias úteis. Envio Standard: +4/5 dias. Urgente: +1/2 dias SHT-XY-12-PL 85 56 70 73 145 145 42 2 30 11 6,6 M8 6,4
Saída a partir de 10 dias úteis. Envio Standard: +4/5 dias. Urgente: +1/2 dias SHT-XY-20-EWM-PL 130 86 108 115 202 202 72 2 36 15 9 M10 8,6
Mais sobre a peça selecionada:
3D-CAD 3D-CAD
Pedir amostra Pedir amostra
PDF PDF
Solicitação de cotação Solicitação de cotação
myCatalog myCatalog

Dimensões do módulo cruzado x-y [mm]

N.º de encomenda sg
 

d
 
[mm]
T
 
l1
 
[mm]
d1
Standard
d1
Alternativa
l2
 
[mm]
d2
Standard
d2
Alternativa
ha1
 
[mm]
ha2
 
[mm]
W
ha2-ha1
[mm]
Saída a partir de 10 dias úteis. Envio Standard: +4/5 dias. Urgente: +1/2 dias SHT-XY-12 M6 12 TR10x2 17 TR10x2 6h9 17 6h9 18 38 20
Saída a partir de 10 dias úteis. Envio Standard: +4/5 dias. Urgente: +1/2 dias SHT-XY-08 M5 8 TR6x2/TR6,35x2,54 15,5 TR6x2/TR6,35x2,54 5 15 5 13 29 16
Saída a partir de 10 dias úteis. Envio Standard: +4/5 dias. Urgente: +1/2 dias SHT-XY-12-PL M6 12 TR10x2 17 TR10x2 6h9 17 6h9 18 38 20
Saída a partir de 10 dias úteis. Envio Standard: +4/5 dias. Urgente: +1/2 dias SHT-XY-20-EWM-PL M8 20 TR18x4 26 TR18x4 - 26 12h9 23 63 40
Mais sobre a peça selecionada:
3D-CAD 3D-CAD
Pedir amostra Pedir amostra
PDF PDF
Solicitação de cotação Solicitação de cotação
myCatalog myCatalog
Pode determinar a montagem do manípulo do eixo y à esquerda ou à direita.
Esquerda: SHT-XY-12-AWM-L-200-300 para comprimentos de curso de 200 mm na direção x e de 300 mm na direção y.
Direita: SHT-XY-12-AWM-R-200-300 para comprimentos de curso de 200 mm na direção x e de 300 mm na direção y

Adequada para estas peças de módulos cruzados x-y:

Saída a partir de 1 dia útil. Envio Standard: +4/5 dias. Urgente: +1/2 dias drylin® E – Visão geral dos produtos

O desenvolvimento consistente das ferramentas e do conceito de accionamento sem lubrificação drylin®

Saída a partir de 1 dia útil. Envio Standard: +4/5 dias. Urgente: +1/2 dias
Saída a partir de 10 dias úteis. Envio Standard: +4/5 dias. Urgente: +1/2 dias

Aconselhamento personalizado

Terei todo o gosto em esclarecer as suas questões

Envio e consulta

Pessoalmente:

De segunda a sexta-feira, das 9h às 18h - via telefone ou chat

Online:

24h