Selecione o local de entrega

A seleção do país/região pode influenciar vários fatores, tais como preço, opções de envio e disponibilidade de produtos.
Contacto direto
igus® Lda.

R Engº Ezequiel Campos, 239

4100-232 Porto

226 109 000*
PT(PT)

Configurador das mesas lineares drylin® SHT

Defina a sua mesa linear. Nós entregamos!

Poupe tempo e reduza os custos. Configure facilmente online o seu módulo linear com fuso SHT com apenas alguns cliques. Tamanho de instalação, materiais, passos de fusos, múltiplas carruagens, acionamento inverso direita/esquerda, maquinação de extremidades. Nós tratamos de tudo. O seu módulo linear é adequado para o ambiente da sua aplicação? Pode verificar isto muito facilmente – o modelo CAD 3D e o desenho dimensional 2D em PDF estão incluídos. Deseja operar o seu módulo linear manualmente ou com um motor? Podemos proporcionar qualquer um dos dois. Apenas tem de escolher os acessórios e o motor certo. E como controla o seu motor ou módulo linear? A igus® também pode tratar disso. Apenas tem de encomendar o sistema de controlo para motores dryve adequado em simultâneo. E como faz uma encomenda? Coloque no carrinho de compras, realize a encomenda e receberá o seu envio. Este é o serviço da igus®.
Ir para o configurador das SHT
Configurar mesas lineares SHT com fuso

Mesa linear com acionamento por fuso em apenas alguns passos

Configurador drylin® SHT
  • Quatro tamanhos de instalação à escolha
  • Rosca trapezoidal ou rosca de passo rápido dryspin®
  • Versões com carruagens únicas e múltiplas
  • Possibilidade de conformidade com a FDA para os setores alimentar e farmacêutico
  • NOVIDADE: motores de passo NEMA, motores de corrente contínua EC/DC, sistemas de controlo para motores dryve, sensores de proximidade, cabo de ligação

Configurador das mesas lineares drylin® SHT 1. Introduza os parâmetros da aplicação
Configurador das mesas lineares drylin® SHT 2. Configuração do sistema
Configurador das mesas lineares drylin® SHT 3. Configure o pino ou acessório de acionamento
Configurador das mesas lineares drylin® SHT 4. Verifique o resumo
Configurador das mesas lineares drylin® SHT 5. Visualize o modelo CAD interativo em 3D
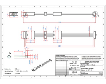
Configurador das mesas lineares drylin® SHT 6. Transfira o desenho com dimensões em PDF

Melhorar a tecnologia com a igus Melhoria técnica
  • Ferramenta de configuração online de mesas lineares SHT
  • Configuração do sistema de carruagem simples ou múltipla
  • Rosca de passo rápido dryspin® ou rosca trapezoidal com auto-bloqueio
  • Configuração pronta a ligar
Reduzir os custos com a igus

Redução do custo

    • Simples configuração online de mesas lineares
    • Todas as peças combinam
    • Tempo de projeto reduzido devido a sistema pronto a ligar (mesa linear/motor/sistema de controlo dryve)
    • Incl. desenho dimensional 2D e modelo CAD 3D
    A igus comprova Provas dadas
    • A duração de vida pode ser calculada online
    • Todos os modelos de configuração são claros e plausíveis
    • Incl. desenho dimensional 2D e modelo CAD 3D
    A igus é sustentável Sustentabilidade
    • A igus® apoia a economia circular dos plásticos e está a investir na reciclagem química. Mais informações sobre este tópico em: Plastic2Oil