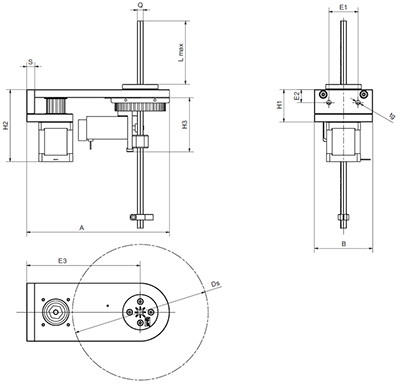
The drylin® lift/swivel unit is based on a
rack and pinion drive with coated aluminium-
4-edge profile as well as a round table element
with integrated toothing for accommodating the toothed belt.
The mounting of the two directions of movement
is done with bearing elements made of iglidur® high-performance polymers
and is completely lubrication and maintenance-free.
The combination of plastic and aluminium
ensures an extremely easy assembly and
can be configured ready to install with a drylin® E
stepper motor.
Toothed, hard-coated, corrosion resistant square hollow section
Toothed, hard-coated, corrosion resistant square hollow section
Modular design
Drive: NEMA11 stepper motor
Typical application areas:Laboratory and analytical technology, gripper systems, pick & place systems, medical technology, ...

Enquiries

drylin® E – "E" de elétrico