Selecione o local de entrega

A seleção do país/região pode influenciar vários fatores, tais como preço, opções de envio e disponibilidade de produtos.
Contacto direto
igus® Lda.

R Engº Ezequiel Campos, 239

4100-232 Porto

226 109 000*
PT(PT)

SHT-12-ZB-AWM-10x12

Porca roscada sem folga em módulo linear

O módulo linear SHT aprovado é agora complementado com um componente adicional, a porca roscada autoajustável sem folga. Para movimentos que requerem precisão de repetição ou que são implementados com roscas de passo rápido 10x12 e 10x50, a ZB garante uma folga mínima por toda a vida.

Isento de lubrificação e de manutenção

Elevada precisão independentemente da carga

Autoajustável

Silencioso

Resistente à corrosão


Áreas de aplicação:Tecnologia laboratorial e médica, engenharia mecânica em geral

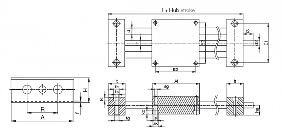
Dimensões [mm]

Número de encomenda Comprimento do curso Veio de metal
Peso adicional
Capacidade de carga estát. máx. A Al H E1 E2 E3    
    [kg] (por 100 mm) [kg] axial [N] radial [N] -0,3 -0,3   +0,15 +0,15 +0,15    
Prazo de entrega a pedido SHT-08-ZB-AWM-6.35X12.7 (1) 300 0 100 400 65 65 23 52 55 55 Sob consulta Adicionar ao carrinho de compras
Saída a partir de 3 dias úteis. Envio Standard: +4/5 dias. Urgente: +1/2 dias SHT-08-ZB-AWM-6X2P1 (1) 300 0 100 400 65 65 23 52 55 55 Sob consulta Adicionar ao carrinho de compras
Saída a partir de 10 dias úteis. Envio Standard: +4/5 dias. Urgente: +1/2 dias SHT-12-ZB-10X12 (1) 500 0,8 0,2 150 600 85 34 70 73 73 Sob consulta Adicionar ao carrinho de compras
Mais sobre a peça selecionada:
3D-CAD 3D-CAD
Pedir amostra Pedir amostra
PDF PDF
Solicitação de cotação Solicitação de cotação
myCatalog myCatalog

(1) Terminais de fuso afunilados

Número de encomenda I R f lt tk
±0,1
ts tg kt
±0,1
s sk sg kq d T l2 d2 ha
Prazo de entrega a pedido SHT-08-ZB-AWM-6.35X12.7 (1) 96 32 1,5 15,5 10 5,5 M6 7 4,2 8 M5 4,6 8 6,35x12,7 17 6,35 13
Saída a partir de 3 dias úteis. Envio Standard: +4/5 dias. Urgente: +1/2 dias SHT-08-ZB-AWM-6X2P1 (1) 96 32 1,5 15,5 10 5,5 M6 7 4,2 8 M5 4,6 8 TR6x2 17 TR6x2 13
Saída a partir de 10 dias úteis. Envio Standard: +4/5 dias. Urgente: +1/2 dias SHT-12-ZB-10X12 (1) 2 11 6,6 M8 6,4 6,3 10 M6 6 12 10x12 17 10x12
Mais sobre a peça selecionada:
3D-CAD 3D-CAD
Pedir amostra Pedir amostra
PDF PDF
Solicitação de cotação Solicitação de cotação
myCatalog myCatalog

(1) Terminais de fuso afunilados


Saída a partir de 3 dias úteis. Envio Standard: +4/5 dias. Urgente: +1/2 dias
Saída a partir de 10 dias úteis. Envio Standard: +4/5 dias. Urgente: +1/2 dias
Prazo de entrega a pedido

Aconselhamento personalizado

Terei todo o gosto em esclarecer as suas questões

Envio e consulta

Pessoalmente:

De segunda a sexta-feira, das 9h às 18h - via telefone ou chat

Online:

24h