twisterchain® série 4008, calhas articuladas, abertura pelos raios interior e exterior

Modelo descontinuado
40.05.135.0 product image
igus-icon-lupe
40.05.135.0 technical drawing
igus-icon-lupe
1 de 2
40.05.135.0 product image
40.05.135.0 technical drawing
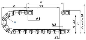
Altura interior [Hi]
Altura interior [Hi]
56 mm
Diâmetro máx. do condutor
Diâmetro máx. do condutor
50 mm
Princípio de abertura
Princípio de abertura
abertura de ambos os lados
Largura interior [Bi]
Largura interior [Bi]
50 mm
Raio de curvatura [R]
Raio de curvatura [R]
135 mm
Não tem a certeza se é adequado?

Aconselhamento

Terei todo o gosto em esclarecer as suas questões pessoalmente

Ricardo Carvalho
Ricardo Carvalho

igus-icon-phone226 199 105*

Consulta e prazo

Pessoalmente:
Segunda - Sexta-feira: 9h - 18h
Online:
Serviço de chat
Segunda - Sexta-feira: 9h -
18h
Serviço WhatsApp
De segunda a sexta: das 9h às 18h
Em que é que podemos melhorar? Dê-nos o seu feedback.

Sobre a igus®

Serviços

Contacto

Métodos de pagamento

  • Pré-pagamento
  • Conta cliente
  • Visa
  • Mastercard

Siga-nos

  • Facebook
  • LinkedIn
  • YouTube
  • Twitter

Mantenha-se a par de todas as novidades e subscreva a newsletter da igus® aqui.

igus-icon-globeIdioma:Português|País:Portugal

Os termos "Apiro", "AutoChain", "CFRIP", "chainflex", "chainge", "chains for cranes", "ConProtect", "cradle-chain", "CTD", "drygear", "drylin", "dryspin", "dry-tech", "dryway", "easy chain", "e-chain", "e-chain systems", quot;e-ketten", "e-kettensysteme", "e-loop", "energy chain", "energy chain systems", "enjoyneering", "e-skin", "e-spool", "fixflex", "flizz", "i.Cee", "ibow", "igear", "iglidur", "igubal", "igumid", "igus", "igus melhora o que se move", quot;igus:bike", "igusGO", "igutex", "iguverse", "iguversum", "kineKIT", "kopla", "manus", "motion plastics", "motion polymers", "motionary", "plastics for longer life", "print2mold", "Rawbot", "RBTX", "readycable", "readychain", "ReBeL" , "ReCyycle", "reguse", "robolink", "Rohbot", "savfe", "speedigus", "superwise", "take the dryway", "tribofilament", "tribotape", "triflex", "twisterchain", "when it moves, igus improves", "xirodur", "xiros" e "yes" são marcas comerciais legalmente protegidas da igus® SE & Co. KG/ Colónia na República Federal da Alemanha e, quando aplicável, em outros países. Esta é uma lista exemplificativa das marcas comerciais (por ex., pedidos de marca pendentes ou marcas registadas) da igus SE & Co. KG ou das empresas do grupo da igus na Alemanha, na União Europeia, nos EUA e/ou noutros países ou jurisdições.

A igus® SE & Co. KG salienta que não vende quaisquer produtos das empresas Allen Bradley, B&R, Baumüller, Beckhoff, Lahr, Control Techniques, Danaher Motion, ELAU, FAGOR, FANUC, Festo, Heidenhain, Jetter, Lenze, LinMot, LTi DRiVES, Mitsibushi, NUM,Parker, Bosch Rexroth, SEW, Siemens, Stöber e quaisquer outros fabricantes de acionamentos mencionados neste website. Os produtos fornecidos pela igus® são produtos da igus® SE & Co. KG