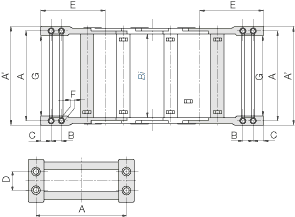
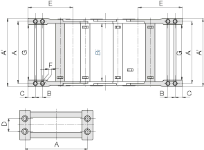
1. Rinnenseitenteil, Aluminium, 2 m
2. Gleitschiene, Kunststoff, 2 m
3. Kunststoff Gleitleisten*, seitlich, 2 m
4. Klemmschuh, Alu
5. C-Profil, Stahl verzinkt
6. Innensechskant M8 x 20
7. Gleitmutter M8
8. Verbinder "Basic", Kunststoff
10. Optional: Dämpfungsprofil, Gummi
*ohne Gleitleisten auf Anfrage
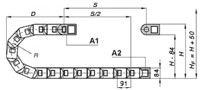
"Super-Alu" Rinne - der igus® Standard bei Führungsrinnen
Die "Super"-Alu-Rinne ist ein Baukasten an Führungsrinnen für lange Verfahrwege (wenn e-ketten® sich aufeinander ablegen). Die "Super"-
Alu-Rinne ist in einfachen und preisgünstigen "Basisausführungen" lieferbar und lässt sich für den anspruchsvollen Anlagenbau erweitern.
Diese universelle Einsetzbarkeit macht sie zu dem von igus® empfohlenen igus®-Standard bei Führungsrinnen.
- Vielfältige Befestigungsmöglichkeiten mit Montagewinkel, Klemmschuh, Verbindungselementen
- Gleitleisten zum Schutz vor seitlichem Abrieb bei hohen Geschwindigkeiten
- Korrosionsfest durch seewasserbeständiges Aluminium
- Flexible Montage - Befestigung auf Unterkonstruktion unabhängig von Profillängen und Stoßstellen
Für die ausgewählte Kette ist eine Führungsrinne nicht verfügbar.