PMAFIX VOD: acessórios angulares a 90º com flange
Este tipo de acessórios PMAFIX são adequados a uma vasta gama de aplicações junto com os tubos corrugados PMAFLEX e permitem a mais elevada segurança e isolamento.
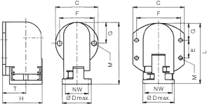
Características: - IP66: acessório com bloqueio de segurança universal pré-montado (AFN2), flange com vedação(OR)
- IP68: acessório com bloqueios ovais (OVN2), tubo e vedação na flange (NVN3, OR)